Solo Controller Documentation 1.0
Documentation for the Solo Controller
 
Loading...
Searching...
No Matches
Sensor Breakout Enclosure Design

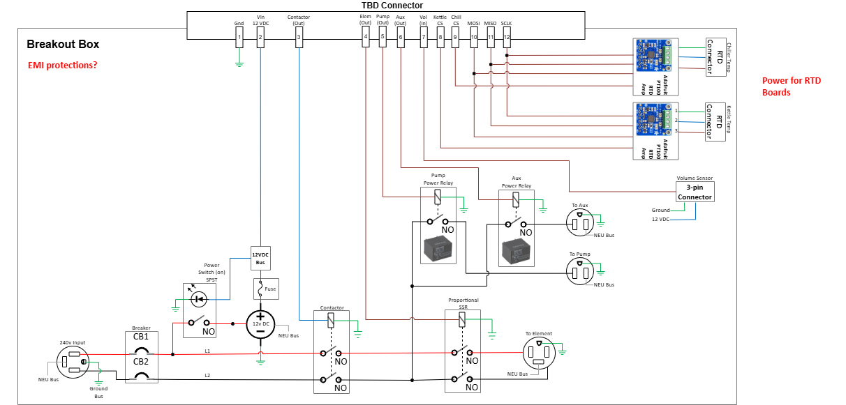
Sensor Breakout Box Circuit Diagram

Discuss features of the Controller Circuit.

Solo Controller Circuit Diagram

Discuss features of the Controller Circuit.

Sensor Breakout Box Parts List